Wenzhou Joepai Valvola Co., Ltd.
Wenzhou Joepai Valvola Co., Ltd.
Notizia

Notizia

Perché la nostra conveniente valvola a sfera ad alta pressione in acciaio forgiato a 3 pezzi è una buona scelta?

Cos'è una valvola a sfera ad alta pressione in acciaio forgiato in 3 pezzi?

A Valvola a sfera ad alta pressione in acciaio forgiato in 3 pezzisi riferisce ad una valvola a sfera ad alta resistenza con una struttura del corpo in tre pezzi collegati da bulloni. Il suo elemento di chiusura è una sfera lavorata con precisione, che viene ruotata attorno alla linea centrale del corpo valvola dallo stelo della valvola per ottenere una rapida chiusura, distribuzione o commutazione del flusso del fluido.


Descrizione del prodotto

Le valvole a sfera in acciaio forgiato in 3 pezzi sono facili da usare, compatte, sigillate in modo affidabile, semplici nella struttura e di facile manutenzione. La superficie di tenuta e la sfera sono sempre in uno stato chiuso, rendendole meno suscettibili all'erosione da parte del fluido. Sono ampiamente utilizzati in vari settori.

Il corpo della valvola è formato mediante un processo di forgiatura e il materiale può essere acciaio inossidabile (come F304, F316) o acciaio al carbonio (come A105). I materiali in acciaio forgiato hanno caratteristiche come struttura densa, eccellenti proprietà meccaniche e forte resistenza agli urti, che li rendono particolarmente adatti per condizioni di lavoro ad alta pressione e alta resistenza.

In base alle esigenze del sistema di tubazioni, è possibile selezionare vari metodi di connessione, come connessione filettata (NPT, BSP-P (G), BSPT (Rc)), saldatura di testa (BW), saldatura con presa (SW) g o connessione flangiata, offrendo un'installazione flessibile e una forte adattabilità.

La pressione di progetto può raggiungere fino a 1500 LB, rendendolo adatto a sistemi di trasporto ad alta pressione in settori quali petrolio, industria chimica e gas naturale.


Standard della valvola a sfera in acciaio forgiato a 3 pezzi:

1) Standard di progettazione e produzione: BS5351, MSS SP-118

2) Dimensioni estremità connessione: ANSI B16.10, JB/T1715

Dimensioni estremità saldata presa: ANSI B16.11, JB/T1715

Dimensioni estremità filettate: ANSI B1.12.1, JB/T7306

Dimensioni dell'estremità saldata di testa: ANSI B16.25, JB/T12224

3) Test e ispezione: API 598

4) Standard sui materiali: ANSI/ASTM


3-Piece Forged Steel High-pressure Ball Valve


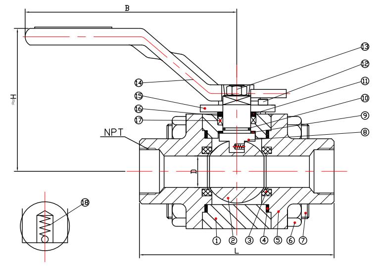
Tabella dei materiali principali:

NO. Nome della parte Acciaio al carbonio Acciaio inossidabile
1 Corpo A105 F304 F304L F316 F316L
2 Palla SS304 F304 SS304L SS316 SS316L
3 Posto a sedere PTFE, RPTFE
4 Guarnizione SS304/SS316 + Grafite
5 Cap A105 F304 F304L F316 F316L
6 Noce A194-2H A194-8 A194-8M
7 Bullone A193-B7 A193-B8 A193-B8M
8 Gambo SS304 F304 SS304L SS316 SS316L
9 Rondella di spinta PTFE, RPTFE
10 O-ring Vitone
11 Ghiandola SS304 SS304 SS304 SS316 SS316
12 Bullone 1035
13 Noce Acciaio inossidabile
14 Maniglia WCB, acciaio inossidabile
15 Piatto limitato 1025
16 Prevenire l'anello di fuoco SS304, SS316
17 Imballaggio Grafite
18 Primavera SS304, SS316


Tabella delle dimensioni principali:

DN mm NPS (pollici) L mm diametro mm Hmm
15 1/2” 92 13 66
20 3/4” 112 19 72
25 1" 126 24 100
32 11/4" 129 30 105
40 11/2” 152 38 112
50 2" 176 49 122


3-Piece Forged Steel High-pressure Ball Valve3-Piece Forged Steel High-pressure Ball Valve3-Piece Forged Steel High-pressure Ball Valve3-Piece Forged Steel High-pressure Ball Valve



Garanzia di produzione professionale - Wenzhou Joepai Valvola Co., Ltd.

In qualità di azienda specializzata nella ricerca, sviluppo e produzione di valvole a sfera in acciaio inossidabile e acciaio al carbonio,Wenzhou Joepai Valvola Co., Ltd.si trova nel parco industriale di Binhai nel distretto di Longwan, Wenzhou, conosciuta come la "Città delle valvole cinese". L'azienda vanta una base produttiva moderna e un sistema completo di controllo qualità. L'azienda è dotata di:

Centro di ricerca e sviluppo professionale e attrezzature per la lavorazione CNC

Strumenti di prova avanzati (come strumenti computerizzati per l'analisi multielemento, durometri Leeb e misuratori di spessore)

Macchine per prove di pressione, macchine per prove del ciclo di vita e altre piattaforme di prova a processo completo

Basandosi su processi rigorosi e innovazione continua, Joepai Valve garantisce che ogni valvola a sfera ad alta pressione in acciaio forgiato 3PC soddisfi requisiti di prestazioni di standard elevato, fornendo ai clienti sicurezza, affidabilità esoluzioni di valvole durevoli.


Notizie correlate
Lasciami un messaggio
X
Utilizziamo i cookie per offrirti una migliore esperienza di navigazione, analizzare il traffico del sito e personalizzare i contenuti. Utilizzando questo sito, accetti il ​​nostro utilizzo dei cookie. politica sulla riservatezza
Rifiutare Accettare