Wenzhou Joepai Valvola Co., Ltd.
Wenzhou Joepai Valvola Co., Ltd.
Prodotti

Prodotti

Valvola a farfalla di segnalazione antincendio in ghisa sferoidale
  • Valvola a farfalla di segnalazione antincendio in ghisa sferoidaleValvola a farfalla di segnalazione antincendio in ghisa sferoidale
  • Valvola a farfalla di segnalazione antincendio in ghisa sferoidaleValvola a farfalla di segnalazione antincendio in ghisa sferoidale

Valvola a farfalla di segnalazione antincendio in ghisa sferoidale

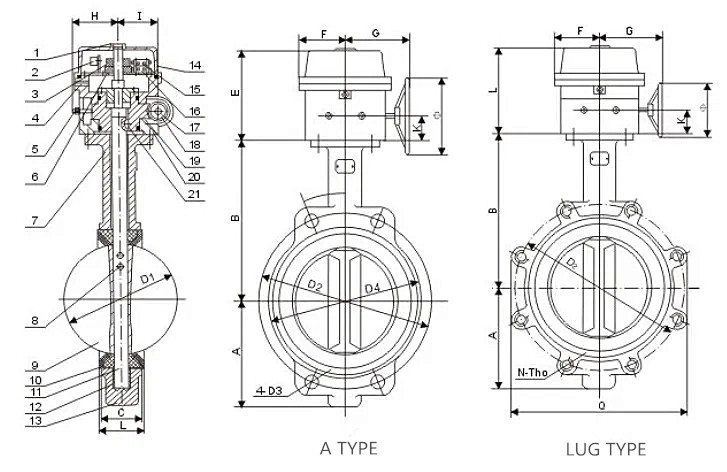
La valvola a farfalla del segnale antincendio in ferro duttile fornita da Joepai offre prestazioni eccezionali nei sistemi di protezione antincendio commerciali e industriali, grazie alla robusta struttura in ghisa duttile con rivestimento epossidico resistente alla corrosione. Queste valvole a farfalla antincendio integrano un avanzato dispositivo di segnale elettrico che trasmette lo stato della posizione della valvola in tempo reale ai pannelli di controllo antincendio, garantendo la capacità di monitoraggio immediato del sistema. Le valvole in ghisa sferoidale sono state implementate con successo in complessi ospedalieri, data center e progetti di grattacieli nei mercati europei e asiatici.

La valvola a farfalla di segnale antincendio in ghisa sferoidale JOEPAI rappresenta l'integrazione della tradizionale tecnologia di controllo del flusso con moderne capacità di monitoraggio per sistemi di protezione antincendio completi. Queste valvole a farfalla di segnalazione antincendio sono caratterizzate da una robusta struttura in ghisa sferoidale con resistenza alla corrosione superiore, che le rende adatte per applicazioni impegnative in varie condizioni ambientali. Le valvole in ghisa sferoidale incorporano un avanzato dispositivo di segnalazione elettrica che fornisce lo stato della posizione della valvola in tempo reale ai pannelli centrali di controllo antincendio, garantendo il monitoraggio e la verifica immediati del sistema. Progettate con un profilo compatto e una struttura leggera, le valvole a farfalla antincendio facilitano un'installazione semplice pur mantenendo una durata eccezionale e una lunga durata. Il design innovativo di queste valvole a farfalla di segnalazione combina prestazioni affidabili con capacità di monitoraggio intelligente, creando una soluzione ottimale per i moderni requisiti di protezione antincendio.

Caratteristiche

1.Le dimensioni ridotte e il peso leggero lo rendono facile da installare e mantenere. Inoltre può essere installato ovunque sia necessario;

2. Costruzione semplice e compatta, funzionamento on-off rapido a 90 gradi;

3. Coppia operativa ridotta al minimo, risparmio energetico;

4. Prestazioni di regolazione eccellenti e lunga durata;

5. Può essere utilizzato per vari mezzi;

6. Può essere utilizzato come dispositivo di condizionamento e intercettazione su una varietà di linee e contenitori di gas corrosivi, non corrosivi, liquidi, semifluidi e di polvere solida;

7. È adatto per sistemi quali petrolio, industria chimica, prodotti alimentari, medicinali, fabbricazione della carta, approvvigionamento idrico e così via;

8.Curva di flusso tendente alla retta, ottime prestazioni di regolazione.

Principali dati tecnici

Dimensioni: DN50-DN300 (2"-12")

Pressione nominale: PN1,0-1,6 MPa

Temperatura di lavoro: 15-150°C

Mezzo: acqua dolce, liquami, acqua di mare, aria, vapore, cibo, polpette, ecc.

Portata microinterruttore: AC, 220V, 1A; CC, 30 V, 0,5 A

Materiale disponibile: ferro duttile, ghisa, acciaio inossidabile, acciaio al carbonio, bronzo alimentare

Ductile Iron Fire Fighting Signal Butterfly Valve

Ductile Iron Fire Fighting Signal Butterfly Valve

Ductile Iron Fire Fighting Signal Butterfly Valve

Pressione e temperatura

pressione di esercizio

PN10, PN16

pressione di prova

guscio: 1,5 volte la pressione nominale

sede: 1,1 volte la pressione nominale

temperatura di lavoro

Da -10°C a 80°C (NBR)

Da -10°C a 120°C (EPDM)

mezzi adatti

acqua, petrolio e gas

Elenco dei materiali principali

parti

materiale

corpo

ghisa, ferro duttile,

posto a sedere

EPDM, NBR, VITON, PTFE

disco

ferro duttile al nichel, bronzo AI, acciaio inossidabile

stelo

acciaio al carbonio, acciaio inossidabile

boccola

PTFE

Anello "O".

PTFE

spillo

acciaio inossidabile

chiave

acciaio inossidabile

 Norma esecutiva:

Norma di progettazione

EN 593, MSS SP67 API 609 BS5155

Ispezione e test

API 598 ISO 5208 EN 12266

Fine norma

ANSI B16.1CL. 125 libbre e B16,5 CL. 150 libbre

AS 2129 Tabella D & E   BS 10 Tabella D & E

DIN 2501 PN6, PN10 e PN16

EN 1092 PN6, PN10 e PN16

ISO 2531 PN6, PN10 e PN16

ISO 7005 PN6, PN10 e PN16

KS B 1511 / JIS B 2210 5K e 10K

MSS SP44CL. 150 libbre  AWWAC207

SABS 1123 Tabella 1000/3 e Tabella 1600/3

Faccia a faccia

ISO 5752, EN 558, MSS SP67 e API 609  DIN3202

Flangia superiore

ISO 5211

Ductile Iron Fire Fighting Signal Butterfly Valve


Tag caldi: Valvola a farfalla di segnalazione antincendio in ghisa sferoidale
Invia richiesta
Informazioni di contatto
  • Indirizzo

    Edificio 2, n. 4228, Binhai 3rd Road, Xinghai Street, distretto di Longwan, città di Wenzhou, provincia di Zhejiang, Cina

Per richieste su valvole a sfera, valvole di gate, valvole globali o listino prezzi, lasciaci la tua e -mail e ci saremo in contatto entro 24 ore.
X
Utilizziamo i cookie per offrirti una migliore esperienza di navigazione, analizzare il traffico del sito e personalizzare i contenuti. Utilizzando questo sito, accetti il ​​nostro utilizzo dei cookie. politica sulla riservatezza
Rifiutare Accettare